Начало » ГЛАВНЫЙ » Фортификация » загадка артДОТа на Муратовке
| загадка артДОТа на Муратовке [сообщение #158250] |
вт, 01 октября 2013 10:48  |
|
|
Одна из задач прошедшего субботника https://www.forum.aroundspb.ru/index.php?t=msg&th=14607&a mp;goto=157461#msg_157461 - ликвидация течи внутрь дота, в буквальном смысле вскрыла загадочный фрагмент конструкции дота.
Предполагаем, что дот состоит из двух частей: боевого каземата, построенного вероятно в годы войны, и вспомогательного, построенного позже. Вспомогательный каземат пристроен сзади и на стыке как раз образуется течь из щели, теряющейся во мраке.
Вскрыли грунт и покрытие дота сверху и обнаружили: щель, уходящую по-диагонали (в проекции сверху), внутри которой были полусгнившие доски. Они же, при ближайшем рассмотрении, обнаружились и изнутри.

Стало ясно, что влага попадает внутрь как раз по ним.
С другой стороны дота была такая-же щель, но без досок, забитая рыхлой ЦПС.
Возник вопрос №1: почему и зачем при доливке второй части дота была оставлена (?) щель, да еще и с досками.
Чуть позже, вскрывая грунт в направлении лобовой части дота, обнаружили непонятное архитектурное излишество: у дота сняты "фаски" по ребрам между стенами и покрытием, но в тыловой части фаска внезапно заканчивается и далее на протяжении 30-50см стена и покрытие имеют ребро. А дальше стена поворачивает под 45 градусов, образуя ту самую щель с досками.



Эскиз, вид сверху:

У аналогичного недостроенного АДОТа у старого Приозерского шоссе тыловая часть "фасок" и "архитектурных излишеств" не имеет:

http://fotki.yandex.ru/users/fotosergs/view/483610?page=6
Мы предполагали, что недостроенный дот на последнем фото строился по типовому проекту вместе с остальными АДОТами в Лемболово (боевой каземат). Его размеры и компоновка совпадает в деталях. Построен он из очень некачественного бетона с наполнителем из камней.
Но дот на Муратовке, как оказалось, построен из более качественного бетона с наполнителем из гравия. Т.е. скорее всего это постройки разных периодов строительства.
Пока вопросы только множатся...
-
Вложение: 400.jpg
(Размер: 34.39KB, Загружено 2084 раза)
|
|
|
|
| Re: загадка артДОТа на Муратовке [сообщение #158256 является ответом на сообщение #158250] |
вт, 01 октября 2013 12:26   |
|
|
| alexsvar писал(а) вт, 01 октября 2013 10:48 |
Возник вопрос №1: почему и зачем при доливке второй части дота была оставлена (?) щель, да еще и с досками.
|
Мы предположили, что доски - опалубка первого каземата, не снятая при постройке второго. То есть когда пристраивали второй каземат опалубка первого ещё не была снята, и по каким-то причинам оставлена строителями (вероятнее всего просто лень было).
|
|
|
|
| Re: загадка артДОТа на Муратовке [сообщение #158257 является ответом на сообщение #158256] |
вт, 01 октября 2013 12:34   |
|
|
| Тульнов Олег писал(а) вт, 01 октября 2013 12:26 |
| alexsvar писал(а) вт, 01 октября 2013 10:48 |
Возник вопрос №1: почему и зачем при доливке второй части дота была оставлена (?) щель, да еще и с досками.
|
Мы предположили, что доски - опалубка первого каземата, не снятая при постройке второго. То есть когда пристраивали второй каземат опалубка первого ещё не была снята, и по каким-то причинам оставлена строителями (вероятнее всего просто лень было).
|
А с другой стороны? Там есть щель, а досок нет.
Предположу, что это какой-то ?-компенсационный шов, только с одной стороны из него доски не вынули.
Собственно возникли два вопроса:
1. зачем нужно "архитектурное излишество" в тыльной стены дота
2. зачем нужна щель.
|
|
|
|
| Re: загадка артДОТа на Муратовке [сообщение #158272 является ответом на сообщение #158257] |
вт, 01 октября 2013 22:07   |
|
|
Вроде как вопрос о пристройке рассматривался на одном из давнишних выездов.
| alexsvar писал(а) вт, 01 октября 2013 12:34 |
Предположу, что это какой-то ?-компенсационный шов, только с одной стороны из него доски не вынули.
|
Да, ты прав. При пристройке к ранее существующему строению нельзя жёстко крепить новое строение, необходимо оставлять компенсационный шов, особенно если нет общего фундамента.. Построенные в разное время сооружения будут иметь разную усадку.
Думаю что доски есть и с другой стороны. Они выполняют роль демпфера.
По поводу "фасок".
Думаю "фаска" была на первоначальном строении, но при пристройке решили упростить технологию и сделали переход на прямой угол. Надо было внимательно посмотреть, не разный ли бетон на старом строении и элементе образующем прямой угол.
Второй вариант. Заключительный элемент, образующий прямой угол был сделан изначально, для предотвращения осыпания тюфяка, если предполагалось оставить заднюю стену полностью открытой.
Надо смотреть бетон.
[Обновления: вт, 01 октября 2013 22:14] Известить модератора
|
|
|
|
| Re: загадка артДОТа на Муратовке [сообщение #158275 является ответом на сообщение #158257] |
вт, 01 октября 2013 22:43   |
|
|
| alexsvar писал(а) вт, 01 октября 2013 12:34 |
А с другой стороны? Там есть щель, а досок нет.
|
Там тоже были доски, я их ковырял ломом. Единственное - я-то их пытался оттуда выковыривать, так что на той стороне получилось лучше. Но доска там точно была. По-моему Юра ещё видел её вполне отчетливо.
|
|
|
|
| Re: загадка артДОТа на Муратовке [сообщение #158276 является ответом на сообщение #158272] |
вт, 01 октября 2013 22:47   |
|
|
| ulet писал(а) вт, 01 октября 2013 22:07 |
Да, ты прав. При пристройке к ранее существующему строению нельзя жёстко крепить новое строение, необходимо оставлять компенсационный шов, особенно если нет общего фундамента.. Построенные в разное время сооружения будут иметь разную усадку.
|
К ДОТам это не относится - должен быть монолит. Или же надо делать два шлюза (при выходе из одного сооружения, и входе во второе).
| Цитата: | Думаю "фаска" была на первоначальном строении, но при пристройке решили упростить технологию и сделали переход на прямой угол. Надо было внимательно посмотреть, не разный ли бетон на старом строении и элементе образующем прямой угол.
|
Нет, было именно как фаска, переходящая в прямой угол. Смотрели внимательно, в том числе с помощью лома, да и отпечатки опалубки там однозначно говорят о том, что угол этот был изначально - и отлит вместе с покрытием сооружения.
| Цитата: | Заключительный элемент, образующий прямой угол был сделан изначально, для предотвращения осыпания тюфяка, если предполагалось оставить заднюю стену полностью открытой.
|
Вот это ближе к истине, скорее всего...
|
|
|
|
| Re: загадка артДОТа на Муратовке [сообщение #158277 является ответом на сообщение #158250] |
вт, 01 октября 2013 22:50   |
|
|
| alexsvar писал(а) вт, 01 октября 2013 10:48 |
Но дот на Муратовке, как оказалось, построен из более качественного бетона с наполнителем из гравия. Т.е. скорее всего это постройки разных периодов строительства.
|
Если это разные периоды строительства, надо искать другие сооружения, построенные в этот период. Никто не будет строить один ДОТ.
На самом деле тут вот что - этой части сооружения, на которой находится фаска и угол, здесь просто нет - тут же покрытия нет на сооружении, только противооткол лежит. По каким-то причинам его не довозвели. Интересно по каким? Опалубку-то уже сделали, и арматуру положили, осталось только бетон налить. Не рассчитали? Вряд ли. Финны не позволили? Что-то ещё случилось?
|
|
|
|
| Re: загадка артДОТа на Муратовке [сообщение #158281 является ответом на сообщение #158276] |
вт, 01 октября 2013 22:57   |
|
|
| Тульнов Олег писал(а) вт, 01 октября 2013 22:47 |
| ulet писал(а) вт, 01 октября 2013 22:07 |
Да, ты прав. При пристройке к ранее существующему строению нельзя жёстко крепить новое строение, необходимо оставлять компенсационный шов, особенно если нет общего фундамента.. Построенные в разное время сооружения будут иметь разную усадку.
|
К ДОТам это не относится - должен быть монолит. Или же надо делать два шлюза (при выходе из одного сооружения, и входе во второе).
|
Это относится ко всем бетонным конструкциям. Фактически это два разных строения, каждое из которых являет собой отдельный монолит. Законы физики распространяются и на ДОТ.
К чему приводит попытка замонолитить два строения, сооружённые в различное время можно увидеть на домах 4 и 6 по Большой Посадской. На 4-ом видна трещина на стыке фасада и брандмауэра.
|
|
|
|
| Re: загадка артДОТа на Муратовке [сообщение #158285 является ответом на сообщение #158272] |
вт, 01 октября 2013 23:17   |
|
|
| ulet писал(а) вт, 01 октября 2013 22:07 |
Второй вариант. Заключительный элемент, образующий прямой угол был сделан изначально, для предотвращения осыпания тюфяка, если предполагалось оставить заднюю стену полностью открытой.
Надо смотреть бетон.
|
Осыпание тюфяка спереди должно было волновать не меньше. Если все-таки осыпание беспокоило, то достаточно было не снимать "фаску" между покрытием и задней стеной.
|
|
|
|
| Re: загадка артДОТа на Муратовке [сообщение #158288 является ответом на сообщение #158285] |
вт, 01 октября 2013 23:26   |
|
|
| alexsvar писал(а) вт, 01 октября 2013 23:17 |
| ulet писал(а) вт, 01 октября 2013 22:07 |
Второй вариант. Заключительный элемент, образующий прямой угол был сделан изначально, для предотвращения осыпания тюфяка, если предполагалось оставить заднюю стену полностью открытой.
Надо смотреть бетон.
|
Осыпание тюфяка спереди должно было волновать не меньше. Если все-таки осыпание беспокоило, то достаточно было не снимать "фаску" между покрытием и задней стеной.
|
Эмм... не понял. "Фаска" делается потому, что прямой угол легче оголяется при усадке грунта, да и правильные очертания проще "читаются".
А задняя стена с "фаской"?
|
|
|
|
|
|
| Re: загадка артДОТа на Муратовке [сообщение #158390 является ответом на сообщение #158288] |
пт, 04 октября 2013 12:29   |
|
|
| ulet писал(а) вт, 01 октября 2013 23:26 |
| alexsvar писал(а) вт, 01 октября 2013 23:17 |
| ulet писал(а) вт, 01 октября 2013 22:07 |
Второй вариант. Заключительный элемент, образующий прямой угол был сделан изначально, для предотвращения осыпания тюфяка, если предполагалось оставить заднюю стену полностью открытой.
Надо смотреть бетон.
|
Осыпание тюфяка спереди должно было волновать не меньше. Если все-таки осыпание беспокоило, то достаточно было не снимать "фаску" между покрытием и задней стеной.
|
Эмм... не понял. "Фаска" делается потому, что прямой угол легче оголяется при усадке грунта, да и правильные очертания проще "читаются".
А задняя стена с "фаской"?
|
Фаска делается скорее всего для общей прочности сооружения. Прямой угол легче откалывается.
На задней стенке нет фаски между покрытием и задней стеной.
|
|
|
|
| Re: загадка артДОТа на Муратовке [сообщение #158391 является ответом на сообщение #158305] |
пт, 04 октября 2013 12:31   |
|
|
| Евгений Виноградный(ssdi) писал(а) ср, 02 октября 2013 02:28 |
Отсутствие скосов на пристройке скорее связано с ускоренной технологией возведения. Ведь так и легче закладывать бетон и проще трамбовать.
|
Это понятно. Не ясно зачем сделан переход с фаски на прямой угол в задней части боевого каземата. Если сразу планировалось пристроить вспомогательный каземат с прямыми углами - не ясно зачем было делать боковые фаски (на боковых стенах).
|
|
|
|
| Re: загадка артДОТа на Муратовке [сообщение #158427 является ответом на сообщение #158391] |
сб, 05 октября 2013 00:41   |
|
|
| alexsvar писал(а) пт, 04 октября 2013 12:31 |
| Евгений Виноградный(ssdi) писал(а) ср, 02 октября 2013 02:28 |
Отсутствие скосов на пристройке скорее связано с ускоренной технологией возведения. Ведь так и легче закладывать бетон и проще трамбовать.
|
Это понятно. Не ясно зачем сделан переход с фаски на прямой угол в задней части боевого каземата. Если сразу планировалось пристроить вспомогательный каземат с прямыми углами - не ясно зачем было делать боковые фаски (на боковых стенах).
|
Вполне может быть, что прямой угол на боевом каземате заливался вместе с пристройкой "внахлест", чтобы создать некое подобие монолита, т.к. вполне возможно, что у боевого каземата как раз и была фаска на тыльной стороне. Хотя я себе не представляю технологию сращивания в тех условиях, а в номальном режиме необходимо было бы вскрыт бетон тыльной части боевого каземата до арматуры, чтобы на нее "завязаться" арматурой пристройки.
С другой стороны, нужно бы схематично накидать план сооружения до появления пристройки. Определиться со входом и т.п.
Да, а что с датированием? Пристройка это 43-й год? И каковы бетоны каземата и пристройки по качеству? Судя по сложности работ с дренажом у входа, бетон пристройки вполне хорош?
|
|
|
|
| Re: загадка артДОТа на Муратовке [сообщение #158428 является ответом на сообщение #158427] |
сб, 05 октября 2013 00:51   |
|
|
| Евгений Виноградный(ssdi) писал(а) пт, 04 октября 2013 20:41 | Судя по сложности работ с дренажом у входа, бетон пристройки вполне хорош?
|
там было 10-15 см очень качественного а ниже подушка из весьма рыхлого(они даже цветом отличались. верхних - светло серый, ниже - цвета свежего бетона) залил ли ВАД весь пол я так и не понял
|
|
|
|
| Re: загадка артДОТа на Муратовке [сообщение #158429 является ответом на сообщение #158390] |
сб, 05 октября 2013 00:56   |
|
|
| alexsvar писал(а) пт, 04 октября 2013 08:29 |
Фаска делается скорее всего для общей прочности сооружения. Прямой угол легче откалывается.
|
не просто откалывается, а порождает лавину острых осколков. на фортах специально все грани закруглены, именно для борьбы с бетонными осколками.
|
|
|
|
|
|
| Re: загадка артДОТа на Муратовке [сообщение #158432 является ответом на сообщение #158429] |
сб, 05 октября 2013 01:20   |
|
|
| Tigrillo писал(а) сб, 05 октября 2013 00:56 |
| alexsvar писал(а) пт, 04 октября 2013 08:29 |
Фаска делается скорее всего для общей прочности сооружения. Прямой угол легче откалывается.
|
не просто откалывается, а порождает лавину острых осколков. на фортах специально все грани закруглены, именно для борьбы с бетонными осколками.
|
Что форты сравнивать - там бетон хорошо если марки 0, а тут 300 как минимум, а если еще учитывать плотность закладки арматуры, то это явно эргономичные углы с расчетом на рикошет (сгарядов, бомб, взрывной волны).
|
|
|
|
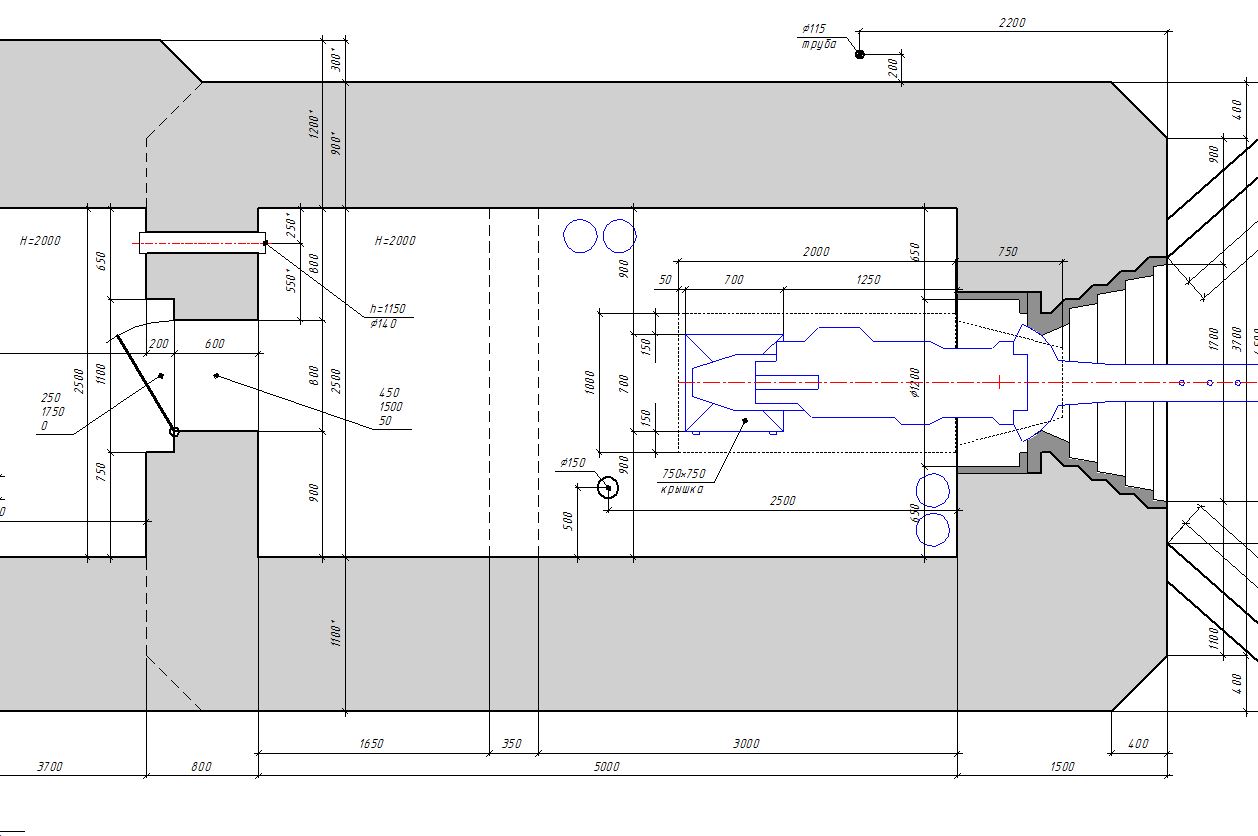
| Re: загадка артДОТа на Муратовке [сообщение #158496 является ответом на сообщение #158427] |
пн, 07 октября 2013 15:35   |
|
|
| Евгений Виноградный(ssdi) писал(а) сб, 05 октября 2013 00:41 |
Вполне может быть, что прямой угол на боевом каземате заливался вместе с пристройкой "внахлест", чтобы создать некое подобие монолита, т.к. вполне возможно, что у боевого каземата как раз и была фаска на тыльной стороне. Хотя я себе не представляю технологию сращивания в тех условиях, а в номальном режиме необходимо было бы вскрыт бетон тыльной части боевого каземата до арматуры, чтобы на нее "завязаться" арматурой пристройки.
|
У меня была мысль насчет нахлеста. Надо было измерить ширину по крыше в начале и конце боевого каземата, или грунт по фаске снять. Будет чем заняться в следующий раз
| Евгений Виноградный(ssdi) писал(а) сб, 05 октября 2013 00:41 |
С другой стороны, нужно бы схематично накидать план сооружения до появления пристройки. Определиться со входом и т.п.
|
Вот чертеж по результатам обмера. Размеры "плыли", не помню почему:

| Евгений Виноградный(ssdi) писал(а) сб, 05 октября 2013 00:41 |
Да, а что с датированием? Пристройка это 43-й год? И каковы бетоны каземата и пристройки по качеству? Судя по сложности работ с дренажом у входа, бетон пристройки вполне хорош?
|
По результатам предыдущего исследования договорились, что боевой каземат 1941-43, а пристройка послевоенная. А теперь непонятно, бетон боевого каземата тоже очень качественный, с щебнем в качестве наполнителя.
-
Вложение: Снимок.JPG
(Размер: 115.28KB, Загружено 1841 раз)
[Обновления: пн, 07 октября 2013 15:37] Известить модератора
|
|
|
|
| Re: загадка артДОТа на Муратовке [сообщение #158501 является ответом на сообщение #158496] |
пн, 07 октября 2013 18:55   |
|
|
| alexsvar писал(а) пн, 07 октября 2013 15:35 |
| Евгений Виноградный(ssdi) писал(а) сб, 05 октября 2013 00:41 |
Да, а что с датированием? Пристройка это 43-й год? И каковы бетоны каземата и пристройки по качеству? Судя по сложности работ с дренажом у входа, бетон пристройки вполне хорош?
|
По результатам предыдущего исследования договорились, что боевой каземат 1941-43, а пристройка послевоенная. А теперь непонятно, бетон боевого каземата тоже очень качественный, с щебнем в качестве наполнителя.
|
М.б. это и есть строительство начала 41г. когда и ресурсы были и материалы?
|
|
|
|
Переход к форуму:
Текущее время: чт апр #d 16:18:55 MSK 2026
|